贝博app体育登录入口-手机App下载
欢迎来到贝博app体育登录入口!

产品 中心

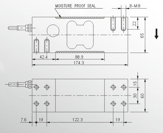
DTP-1平行梁式传感器

产品简介:

DTP-1型铝制箱式称重传感器为单点承载结构,出厂前经过严格的四角修正,在规定的称重范围内保证信号输出一致,安装使用方便。可用于单只传感器构成的各种电子台秤、产品结构形式简
  • 组成部分
  • 分布图
  • 技术参数

贝博app体育登录入口

 要 技   Main Description

测量范围Capacity

60100150200250300500

kg

 输出灵敏度Rated Output

2.0±0.10

mV/V

 非线性Linear

±0.02

%F.S

 滞后Hysteresis

±0.02

%F.S

 重复性Reapeatability

±0.01

%F.S

 蠕变Creep

±0.02

%F.S

 零点输出Zero Balance

±1.0

%F.S

 温度补偿范围 Conpensated Temperature Range

室温~+60

 零点温度补偿系数Temperature Effect On Zero

±0.02

%F.S/10 

 额定输出温度系数 Temperature Effect On Output

±0.02

%F.S/10 

 供桥电压 Excitation Voltage

10V

AC/DC

 绝缘电阻Insulation Resistence

5000

MΩ/100VDC

 输入电阻 Input Resistence

410±5

Ω

 输出电阻Output Resistence

350±2

Ω

 允许过载系数Safe Overload

120

%F.S

电缆连接方式Cable Connection

信号输出Singal Output 黄:Yellow (+) 黑:Black (-)

供桥电压Excitation Voltage Red: (+) 绿Green (-)

在线订购